激光誘導熒光光譜診斷系統
- -
- 前言
作為物質存在的第四種狀態的等離子體通常由電子、離子和處于基態以及各種激發態的原子、分子等中性粒子組成。等離子體中帶電離子間庫倫相互作用的長程特性,是帶電粒子組分的運動狀態對等離子體特性的影響起決定性作用,其中的電子是等離子體與電磁波作用過程中最重要的能量與動量傳遞粒子,因此,等離子體中最重要的基本物理參數是電子密度及其分布以及描述電子能量分布的函數以及相應的電子溫度。而對于中高氣壓環境下產生的非熱低溫等離子體來說,等離子體中的主要組分是處于各種激發態的中性粒子,此時除了帶電粒子外,中性粒子的分布和所處狀態對等離子體電離過程和穩定性控制也起著非常重要的作用,尤其是各種長壽命亞穩態離子的激發。
為了可以充分描述等離子體的狀態,在實驗上不僅要對帶電粒子的分布和運動狀態進行診斷,如電子溫度、電子密度、電離溫度等參數,還需要對等離子體中的中性粒子進行必要的實驗測量,來獲得有關物種的產生、能量分布以及各個激發態布居數分布等信息,如氣體溫度、轉動溫度、振動溫度、激發溫度等參數。
基于這種要求,結合相關學科的各種技術形成了一個專門針對等離子體開展診斷研究的技術門類,如對等離子體中電子組分的診斷技術有朗繆爾探針法(Langmuir Probe),干涉度量法(Interferometer),全息法(Holographic Method),湯姆遜散射法(Thomason Scattering, TS),發射光譜法(Optical Emmission Spectroscopy, OES)等,對離子組分的光譜診斷技術有光腔衰減震蕩(Cavity Ring-Down Spectroscopy, CRDS)和發射光譜法(OES),而對中性粒子的光譜診斷技術包括了吸收光譜法(Absorption Spectroscopy, AS),發射光譜法(OES),單光子或者雙光子激光誘導熒光(Laser Induced Fluorescence, LIF)等。
二、激光誘導熒光(LIF or TALIF)
LIF在等離子體上的應用診斷開始于1975年左右,首先是由R.Stern和J.Johnson提出的利用LIF裝置可以測量中性基團和離子的相對速度、速度分布函數等。90年代后,LIF被陸續應用到了ECR、ICR、磁控管、螺旋波HELIX、ICP以及微波驅動CVD等等離子體源中。
2.1、 等離子體 LIF診斷的基本模型
處于基態或亞穩態的粒子吸收具有一定能量的光子后被激發,再從激發態衰變為自旋多重度相同的基態或低能態時,就會發出熒光輻射。而熒光光強與粒子數成正比,因此,通過測量熒光光強,可以確定處于基態或亞穩態的粒子密度。由于這種熒光發射的時間長度低于微妙量級,必須采用脈沖寬度在納秒量級的激光來激發熒光,這種診斷方法因此被稱作激光誘導熒光(LIF)。

圖1[1]為LIF的基本原理圖,在一個三能級系統中:離子處于亞穩態時,當照射激光能量等于躍遷激發的能量,離子被泵浦到激發態。由于激發態不穩定,離子又會迅速退激到基態并輻射出熒光。在激發態上停留時間很短暫(一般只有幾納秒寬度)。由于離子不是靜止的,根據多普勒效應可知,在激光傳輸方向上存在一個速度選擇,只有在激光傳輸方向上滿足一定速度的離子才能被特定頻率的激光誘導激發:窄帶激光束(ωlaser,κlaser)入射,在入射方向上,只有離子速度 和激光頻率滿足關系式 時,才能通過相應的激光激發被泵浦到激發態。對入射激光頻率進行掃描變換,測量相應的熒光光強變化,就能得到亞穩態離子速度分布函數在入射激光方向上的投影。如果假定亞穩態離子溫度和主體基態離子溫度一致,離子速度分布函數等動力學參數即可獲得。
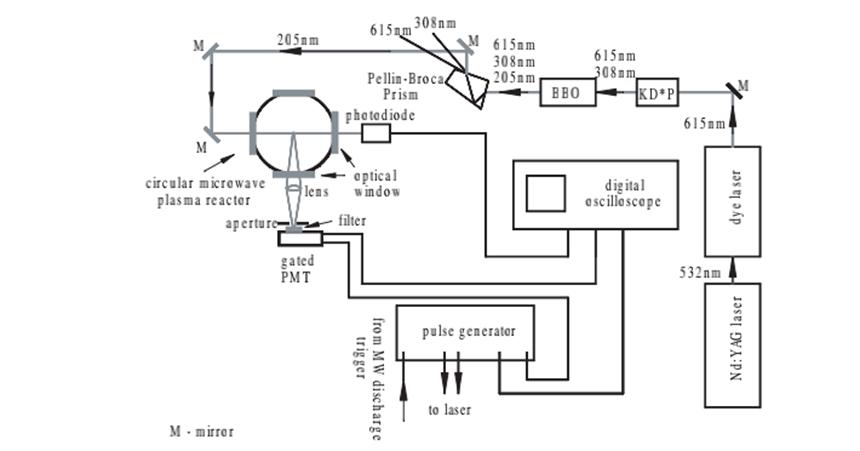
2.2、 典型LIF實驗架構與世界上的LIF架構參考
如圖2所示,為典型的等離子體裝置LIF診斷實驗架構圖。


圖2 典型的等離子體LIF診斷架構圖
因為基團和粒子的激發波長不同,因此我們選擇了波長可調諧的納秒脈寬染料激光器,通過添加不同的染料,輸出不同的波長對被測試的粒子和基團進行激發,從而得到激光誘導的熒光衰減與光譜信號,這些信號經由相關的搜集光路被捕獲到光譜儀與ICCD探測器組成的光譜探測系統中,從而得到光譜、強度與時間尺度的三維熒光光譜,讓研究人員進行相關的分析。圖中所用的DG535/645作為整個實驗系統的時序控制裝置。
圖3到圖4為世界上比較典型的不同等離子體裝置的LIF診斷情況。


圖3. University of Greifswald LIF診斷系統(H原子)


圖4. IHP LIF診斷系統
2.3、典型的LIF波長選擇舉例- 對Ar等離子體和He等離子體放電,常用的激光器波長可調諧范圍不需要太寬
- 要測H(氫)等離子體,激光波長需要205nm
- 測CF等離子體 需要261nm
- 同時測 Ar等離子體的LIF,因為觀測另一條譜線,所用的激光波長又是611nm的
所以LIF的波長范圍應該根據要觀測的等離子體放電的氣體種類及觀測那條譜線來決定
2.4、硬件配置推薦
根據用戶需求,一般推薦的配置如下:
1、染料可調激光器:可選配置從200-4500nm 寬范圍調諧
2、 光譜儀:
- Ø Zolix 北京卓立漢光儀器有限公司的Omni-500I 或750I光譜儀搭配1200l/mm和1800l/mm的全息光柵
- Ø 207或者205高光通量光譜儀,搭配110*110mm 的大尺寸1200l/mm光柵和1800l/mm光柵


ICCD, 18mm 增強器,13*13mm 探測面;




光電倍增管PMT/鎖相放大器/ Boxcar 模塊 等請咨詢卓立漢光銷售人員!
參考文獻
[1] 趙巖, 柏洋, 金成剛, 等.激光誘導熒光在低溫等離子體診斷中的應用[J]. 激光與紅外, 2012, 4(42): 365-371.











































































































13810233784
在線咨詢
